We offer OEM and custom development of advanced electronic components for external partners. We rely on our long-term know-how, experienced team of engineers, and our own testing capabilities, which allow us to implement projects even beyond our own product portfolio.
We provide a complete development process – from the initial concept and design through prototyping to validation and final optimization. We design the resulting solutions to meet both the customer's technical requirements and the relevant regulatory and technical standards.
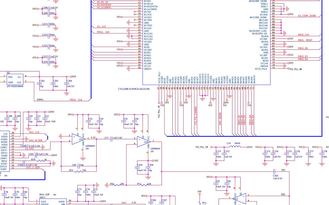
Since 2005, we have been developing electronic systems for our own equipment designed for capturing of images in forensic laboratories. Thanks to these many years of experience, we have extensive know-how in the design of reliable and high-performance electronics for demanding professional applications.
In 2024, our development and production teams moved to new, modern premises. The new facilities offer a complete infrastructure, including testing laboratories, specialized technical equipment, and a fully anechoic EMC chamber. This enables us to carry out complex turnkey development projects.
Our services are primarily intended for clients in the Czech Republic and Central Europe and include:
Complete design, prototyping, and assembly of printed circuit boards, including high-frequency (GHz) electronics.
Measurement of printed circuit board parameters and verification of electromagnetic compatibility in our own fully anechoic EMC chamber (100 MHz – 18 GHz).
Optimization of electronic designs to achieve maximum electrical performance and meet EMC requirements.
Automated verification and stress testing to ensure product reliability prior to shipment.
Custom programming of low-level firmware and its optimization.
Development and optimization of control and application software.
Production of small mechanical components using 3D printing for electronic system assembly and prototyping.
Casings, mechanical parts and device assemblies. We provide CAD design and technical drawings as well as complete manufacturing, including surface finishing and assembly.
-
printed circuit boards (RF, Cu, Al)
-
FPGA platforms Cyclone and PolarFire (processing of images from cameras, controlling of motors, 3D LED illumination, optical shutters, detection systems, and power supplies)
-
C, C++, VHDL, PHP programming languages
-
Firmware and drivers at both the hardware and software levels
-
Our own OneBus multiprocessor architecture with a custom control system.
-
32-bit ARM processors
Contact us for a consultation regarding your project.






